GSA, paleobiology, Press Release

Earliest record of wildfires provide insights to Earth’s past vegetation and oxygen levels

Boulder, Colo.: While wildfires over recent years have raged across much of the western United States and pose significant hazards to wildlife and local populations, wildfires have been a long-standing part of Earth’s systems without the influence of humans for hundreds of millions of years.

“Wildfire has been an integral component in earth-system processes for a long time and its role in those processes has almost certainly been underemphasized,” said Ian Glasspool, lead author of a study published yesterday in Geology that describes the earliest record of wildfire found yet to date.

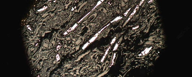
In the study, Glasspool and co-author Robert Gastaldo document 430-million-year-old charcoal produced by wildfires found in samples from Wales and Poland. Their discovery pushes back the earliest record of wildfire by an additional 10 million years.

Glasspool explained that wildfire has three essential ingredients: a source of fuel, a source of ignition (which comes in the form of lightning strikes), and sufficient atmospheric oxygen.

“It looks now as though our evidence of fire coincides closely with our evidence of the earliest land plant macrofossils. So as soon as there’s fuel, at least in the form of plant macrofossils, there is wildfire pretty much instantly,” said Glasspool.

However, the types of plants that existed 430 million years ago during the Silurian period would have looked starkly different from the plants we see and are familiar with today. Instead of grasses, trees, and flowers, flat-lying plants barely even an inch tall would have covered much of the landscape, with the occasional waist-height or knee-height plant. In contrast to much of the diminutive plant cover, the ancient fungus Prototaxites would have stood nearly 30 feet (9 meters) tall, towering over the landscape. These Silurian plants would have been strongly dependent on water for their reproduction and likely would not have been found in seasonally dry areas.

“The Silurian landscape had to have enough vegetation across it to have wildfires propagated and to leave a record of that wildfire,” said Gastaldo. “At points in time that we’re sampling windows of, there was enough biomass around to be able to provide us with a record of wildfire that we can identify and use to pinpoint the vegetation and process in time.”

In addition to a sufficient source of fuel, which Silurian plant life was able to provide, the other crucial factor in producing early wildfires is atmospheric oxygen levels. At the present day, oxygen makes up approximately 21% of the gasses in the planet’s atmosphere. Atmospheric oxygen levels have changed greatly over Earth’s history, with essentially zero oxygen in Earth’s atmosphere for the first part of the planet’s history.

As the research study describes, modern burn experiments indicate that wildfires are unlikely to occur below levels of 16% atmospheric oxygen.

“If you drop below that level you might initiate a fire but it’s not going to propagate,” said Glasspool. “So when you look at the probability of finding charcoal in the record, you’re really only going to find charcoal if that fire was able to propagate, and you can put a minimum threshold value on atmospheric oxygen when you find charcoal.”

Based on the charcoal analyzed in their study, they concluded that atmospheric oxygen during the Silurian attained levels equivalent to, or possibly above, those of the present. Oxygen would have been raised to near present levels by increased photosynthesis from terrestrial plant life impacting the oxygen cycle. Thus, wildfires would likely have been a significant global phenomenon during the Silurian, playing an important role in sediment movement and carbon and phosphorus cycling.

FEATURED ARTICLE

Silurian wildfire proxies and atmospheric oxygen
Authors: Ian Glasspool and Robert Gastaldo
Author contact: ian.glasspool@colby.edu
https://pubs.geoscienceworld.org/gsa/geology/article-abstract/doi/10.1130/G50193.1/614348/Silurian-wildfire-proxies-and-atmospheric-oxygen

GEOLOGY articles are online at https://geology.geoscienceworld.org/content/early/recent . Representatives of the media may obtain complimentary articles by contacting Kea Giles at the e-mail address above. Please discuss articles of interest with the authors before publishing stories on their work, and please make reference to GEOLOGY in articles published. Non-media requests for articles may be directed to GSA Sales and Service, gsaservice@geosociety.org.

https://www.geosociety.org

Contributed by Emily Zawacki

@azurite.emily

Earliest record of wildfires found 430 million years ago! #geology #wildfire #plants #science

♬ original sound – Emily Z, Ph.D.